dodge Workshop Repair Guides

Dodge Workshop Service and Repair Manuals

Checking the Fuel Delivery System|Page 3484 > < Fuel Pressure|Specifications
Page 1
background image

Fuel Pressure: Testing and Inspection
Checking the Fuel Delivery System

CHECKING THE FUEL DELIVERY SYSTEM - NON HEV

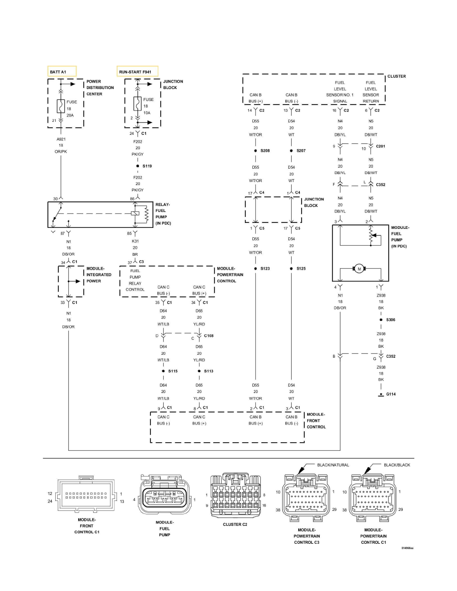
For a complete wiring diagram, refer to the Wiring Information See: Diagrams/Electrical Diagrams.

Checking the Fuel Delivery System|Page 3484 > < Fuel Pressure|Specifications