Dodge Workshop Service and Repair Manuals
HOME
FEATURES
MENU
INDEX
ABOUT US
Diagram Information and Instructions|Page 8647 >
< Diagram Information and Instructions|Page 8645
Grand Caravan V6-3.3L VIN R (2005)
Body and Frame
Body Control Systems / Body Control Module / Component Information
Diagrams / Diagram Information and Instructions
Page 8646
Page 2
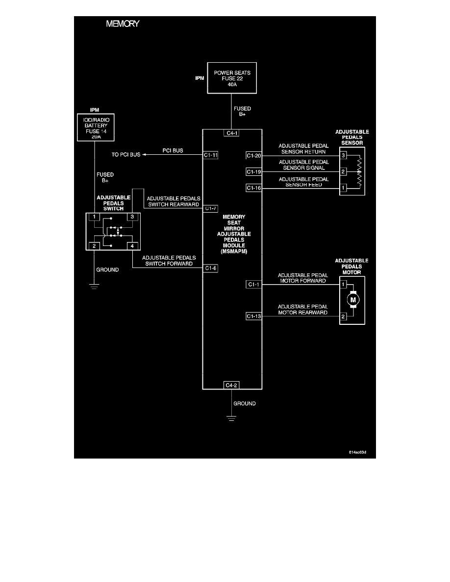
Memory
Body and Frame
Body Control Systems / Body Control Module / Component Information
Diagrams / Diagram Information and Instructions
Page 8646
Diagram Information and Instructions|Page 8647 >
< Diagram Information and Instructions|Page 8645