Dodge Workshop Service and Repair Manuals
HOME
FEATURES
MENU
INDEX
ABOUT US
Diagram Information and Instructions|Page 8652 >
< Diagram Information and Instructions|Page 8650
Grand Caravan V6-3.3L VIN R (2005)
Body and Frame
Body Control Systems / Body Control Module / Component Information
Diagrams / Diagram Information and Instructions
Page 8651
Page 7
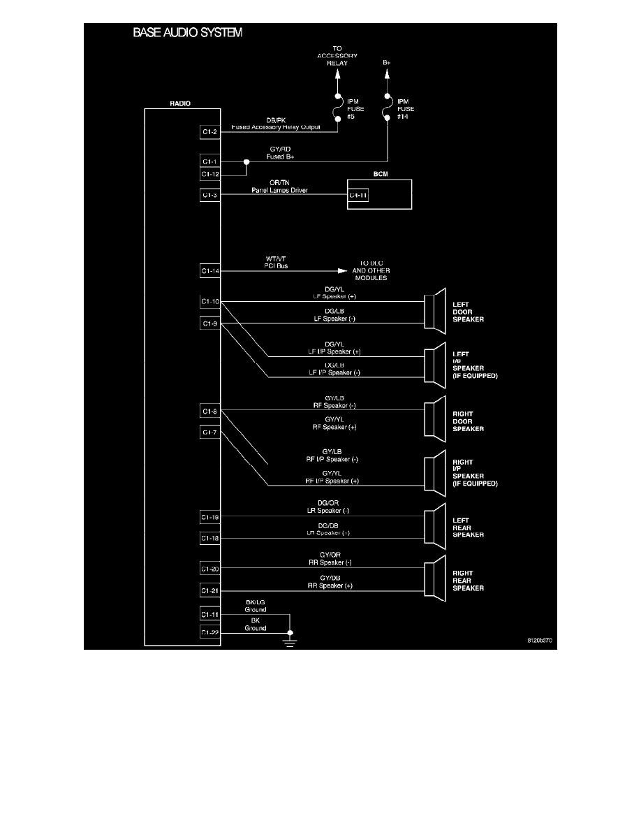
Base Audio System
Body and Frame
Body Control Systems / Body Control Module / Component Information
Diagrams / Diagram Information and Instructions
Page 8651
Diagram Information and Instructions|Page 8652 >
< Diagram Information and Instructions|Page 8650