Dodge Workshop Service and Repair Manuals
HOME
FEATURES
MENU
INDEX
ABOUT US
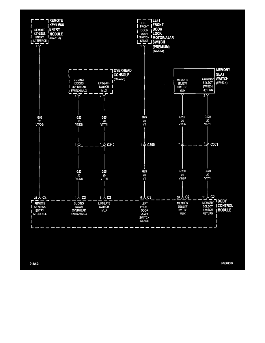
Diagram Information and Instructions|Page 2718 >
< Diagram Information and Instructions|Page 2716
Grand Caravan AWD V6-3.8L VIN L (2001)
Powertrain Management
Computers and Control Systems
Body Control Module / Component Information
Diagrams / Diagram Information and Instructions
Page 2717
Page 3
8w-45-4
Powertrain Management
Computers and Control Systems
Body Control Module / Component Information
Diagrams / Diagram Information and Instructions
Page 2717
Diagram Information and Instructions|Page 2718 >
< Diagram Information and Instructions|Page 2716