Dodge Workshop Service and Repair Manuals
HOME
FEATURES
MENU
INDEX
ABOUT US
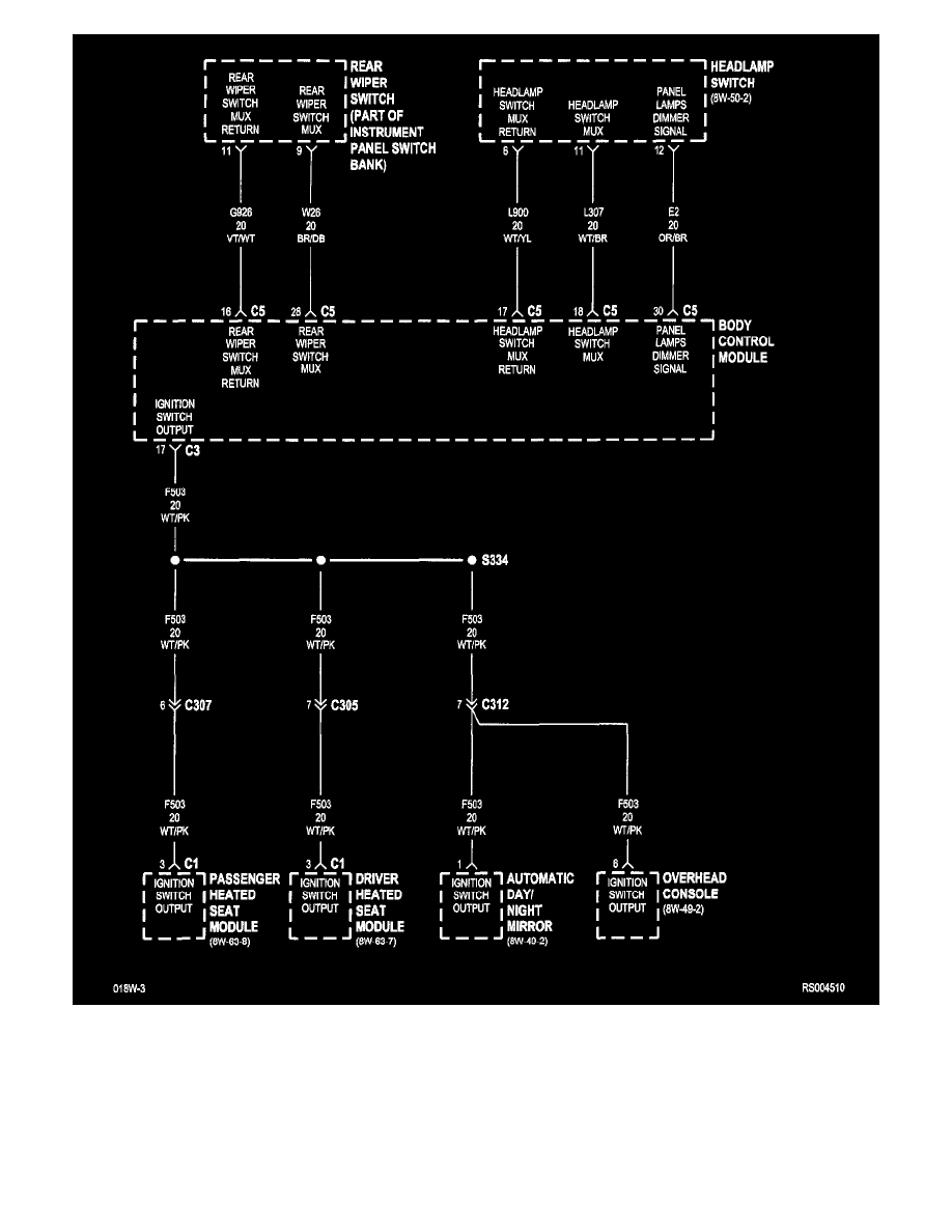
Diagram Information and Instructions|Page 2724 >
< Diagram Information and Instructions|Page 2722
Grand Caravan AWD V6-3.8L VIN L (2001)
Powertrain Management
Computers and Control Systems
Body Control Module / Component Information
Diagrams / Diagram Information and Instructions
Page 2723
Page 9
8w-45-10
Powertrain Management
Computers and Control Systems
Body Control Module / Component Information
Diagrams / Diagram Information and Instructions
Page 2723
Diagram Information and Instructions|Page 2724 >
< Diagram Information and Instructions|Page 2722