Dodge Workshop Service and Repair Manuals
HOME
FEATURES
MENU
INDEX
ABOUT US
Diagram Information and Instructions|Page 3737 >
< Diagram Information and Instructions|Page 3735
Grand Caravan AWD V6-3.8L VIN L (2001)
Powertrain Management
Transmission Control Systems / Actuators and Solenoids - Transmission and Drivetrain / Actuators and Solenoids - A/T
Torque Converter Clutch Solenoid, A/T / Component Information
Diagrams / Diagram Information and Instructions
Page 3736
Page 1
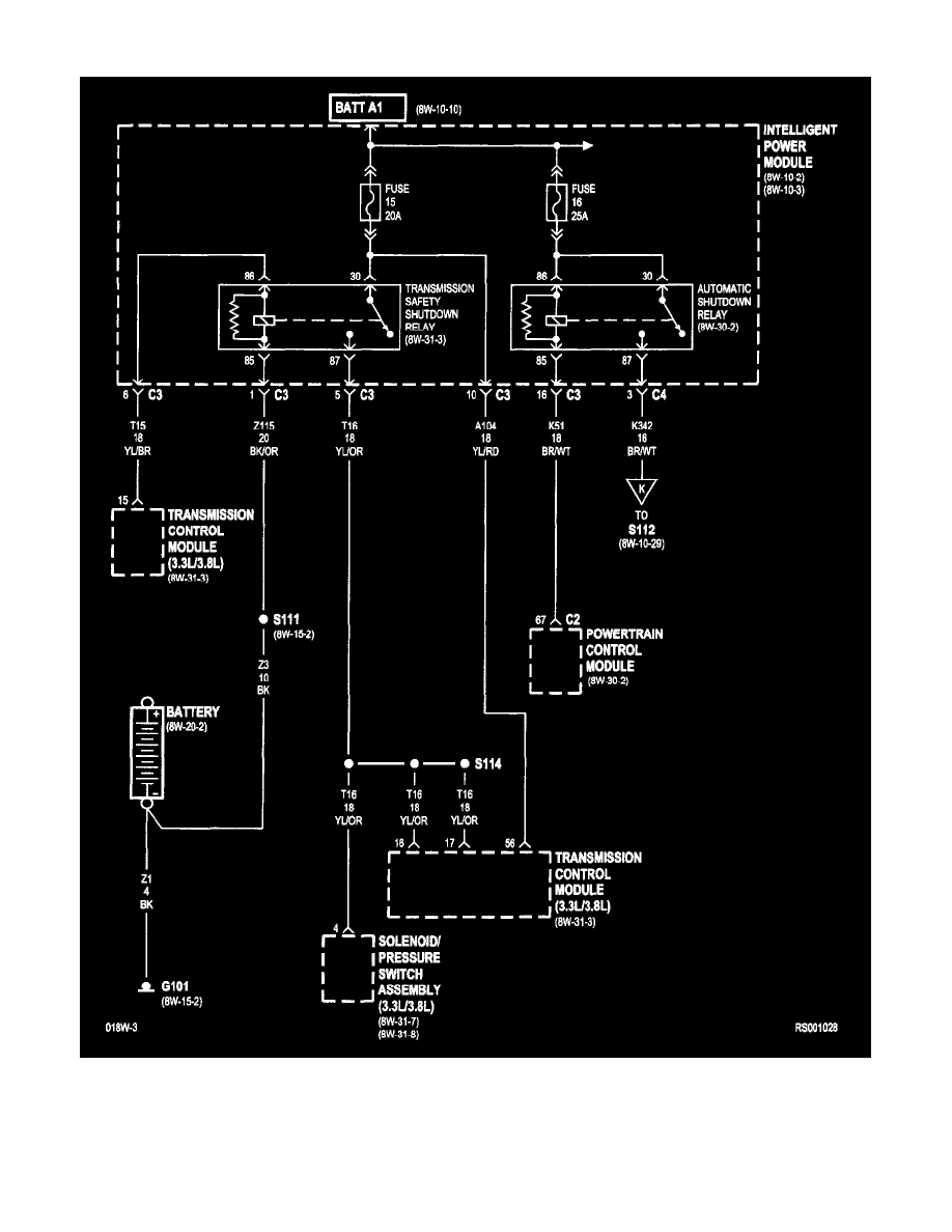
Torque Converter Clutch Solenoid: Electrical Diagrams
8w-10-28
Powertrain Management
Transmission Control Systems / Actuators and Solenoids - Transmission and Drivetrain / Actuators and Solenoids - A/T
Torque Converter Clutch Solenoid, A/T / Component Information
Diagrams / Diagram Information and Instructions
Page 3736
Diagram Information and Instructions|Page 3737 >
< Diagram Information and Instructions|Page 3735