Dodge Workshop Service and Repair Manuals
HOME
FEATURES
MENU
INDEX
ABOUT US
Diagram Information and Instructions|Page 448 >
< Diagram Information and Instructions|Page 446
Grand Caravan AWD V6-3.8L VIN L (2001)
Relays and Modules
Relays and Modules - Powertrain Management / Relays and Modules - Computers and Control Systems / Body Control Module / Component Information
Diagrams / Diagram Information and Instructions
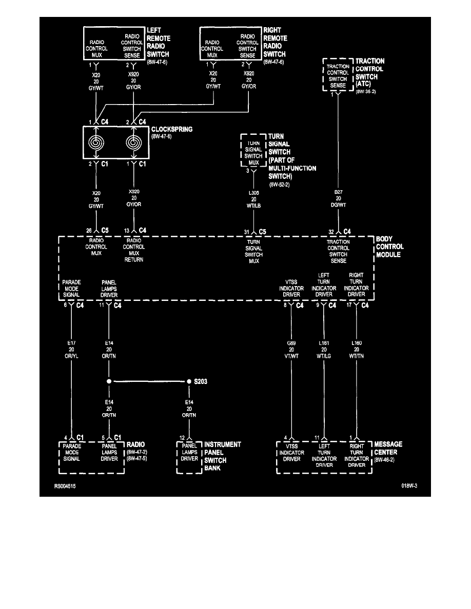
Page 447
Page 14
8w-45-15
Relays and Modules
Relays and Modules - Powertrain Management / Relays and Modules - Computers and Control Systems / Body Control Module / Component Information
Diagrams / Diagram Information and Instructions
Page 447
Diagram Information and Instructions|Page 448 >
< Diagram Information and Instructions|Page 446