Dodge Workshop Service and Repair Manuals
HOME
FEATURES
MENU
INDEX
ABOUT US
Diagram Information and Instructions|Page 4010 >
< Diagram Information and Instructions|Page 4008
Grand Caravan AWD V6-3.8L VIN L (2001)
Transmission and Drivetrain
Actuators and Solenoids - Transmission and Drivetrain / Actuators and Solenoids - A/T
Torque Converter Clutch Solenoid, A/T / Component Information
Diagrams / Diagram Information and Instructions
Page 4009
Page 1
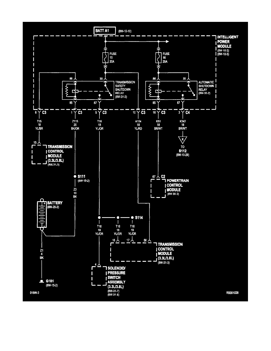
Torque Converter Clutch Solenoid: Electrical Diagrams
8w-10-28
Transmission and Drivetrain
Actuators and Solenoids - Transmission and Drivetrain / Actuators and Solenoids - A/T
Torque Converter Clutch Solenoid, A/T / Component Information
Diagrams / Diagram Information and Instructions
Page 4009
Diagram Information and Instructions|Page 4010 >
< Diagram Information and Instructions|Page 4008