Dodge Workshop Service and Repair Manuals
HOME
FEATURES
MENU
INDEX
ABOUT US
Diagram Information and Instructions|Page 9393 >
< Diagram Information and Instructions|Page 9391
Grand Caravan FWD V6-181 3.0L SOHC (1993)
Lighting and Horns
Sensors and Switches - Lighting and Horns
Brake Light Switch / Component Information
Diagrams / Diagram Information and Instructions
Page 9392
Page 1
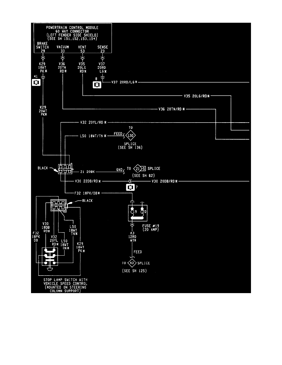
Brake Light Switch: Electrical Diagrams
SH-49
Lighting and Horns
Sensors and Switches - Lighting and Horns
Brake Light Switch / Component Information
Diagrams / Diagram Information and Instructions
Page 9392
Diagram Information and Instructions|Page 9393 >
< Diagram Information and Instructions|Page 9391