Dodge Workshop Service and Repair Manuals
HOME
FEATURES
MENU
INDEX
ABOUT US
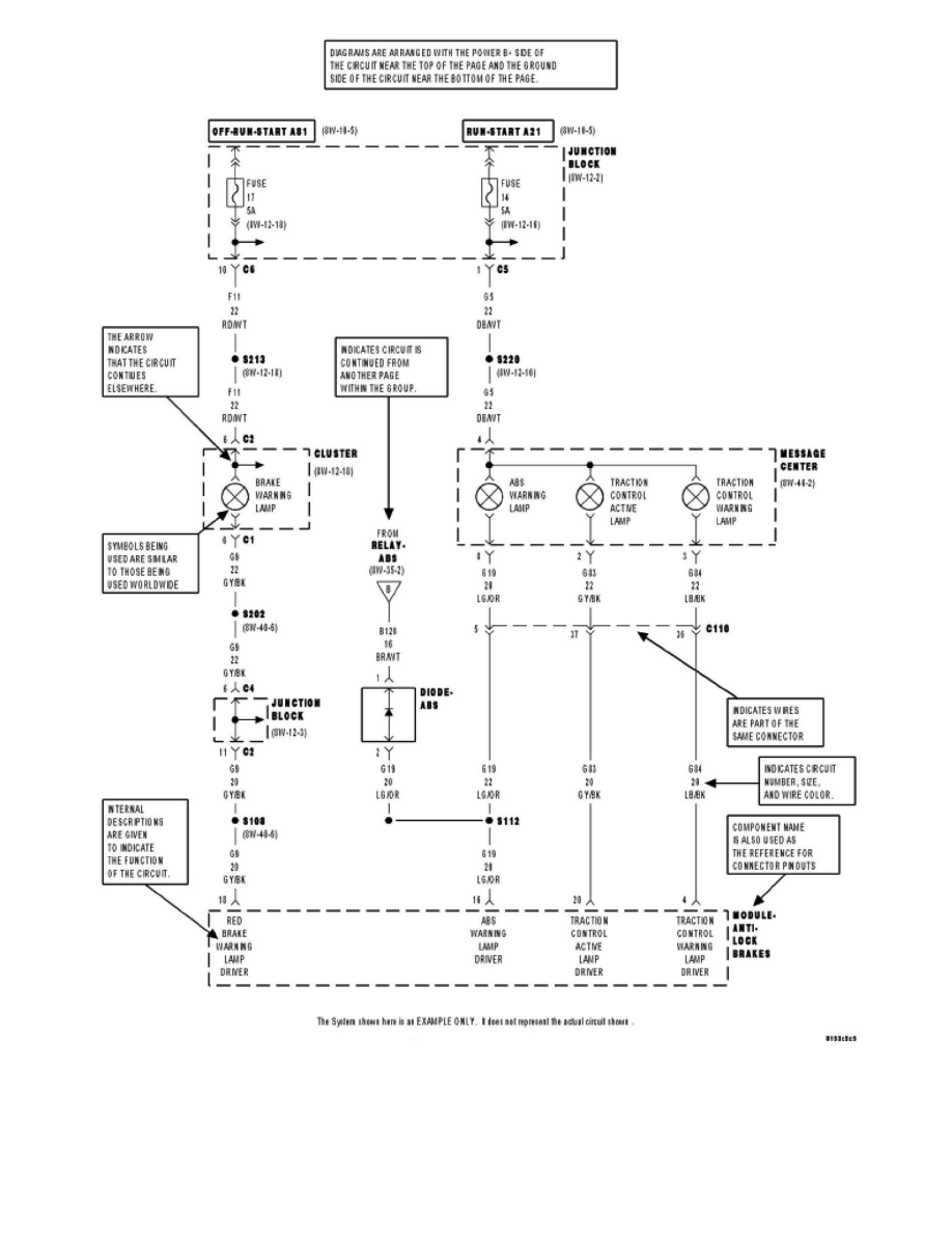
Diagram Information and Instructions|Page 2277 >
< Diagram Information and Instructions
Magnum V6-2.7L (2008)
Maintenance
Fuses and Circuit Breakers
Fuse / Component Information
Diagrams / Diagram Information and Instructions
Page 2276
Page 2
Maintenance
Fuses and Circuit Breakers
Fuse / Component Information
Diagrams / Diagram Information and Instructions
Page 2276
Diagram Information and Instructions|Page 2277 >
< Diagram Information and Instructions