Dodge Workshop Service and Repair Manuals
HOME
FEATURES
MENU
INDEX
ABOUT US
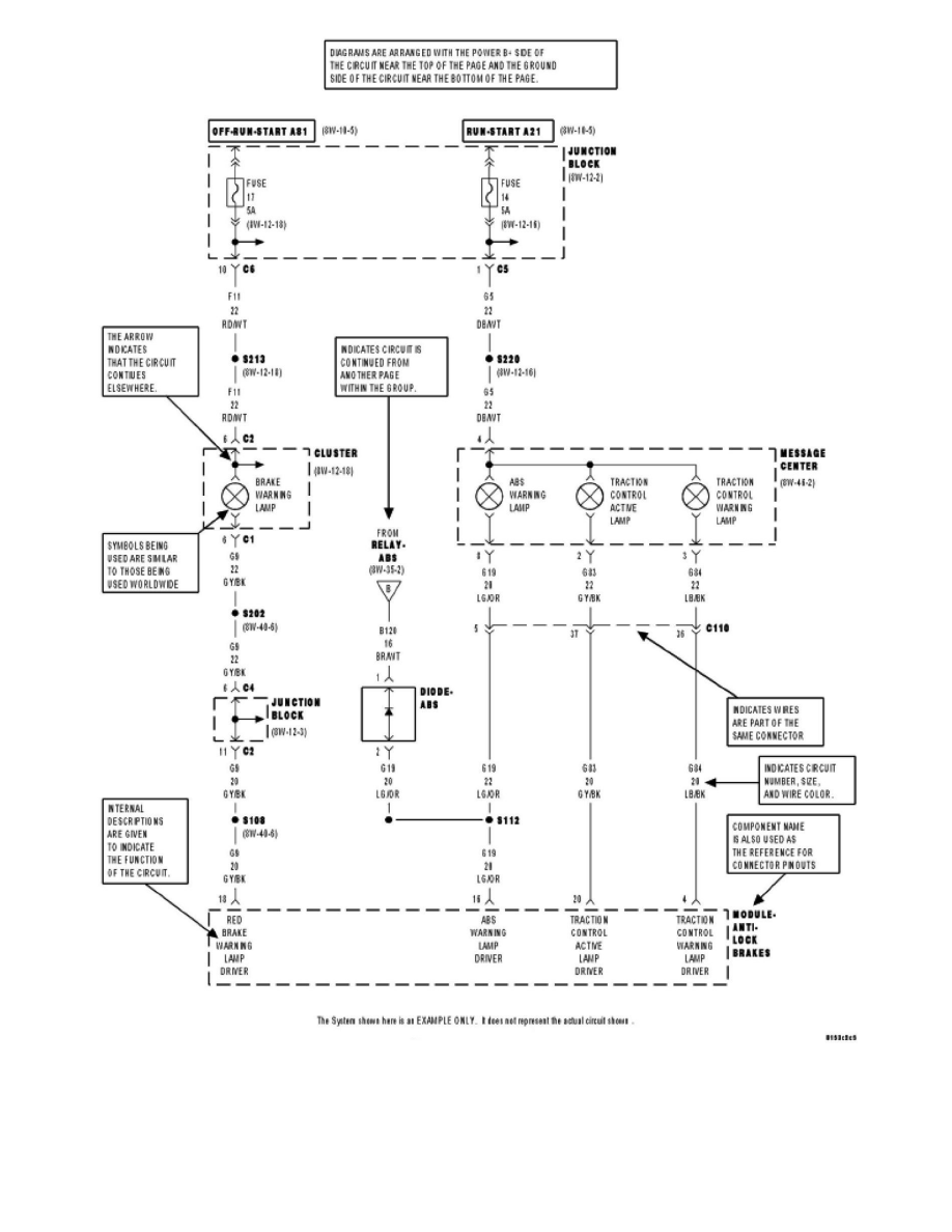
Diagram Information and Instructions|Page 4136 >
< Diagram Information and Instructions
Magnum V6-2.7L (2008)
Powertrain Management
Computers and Control Systems
Information Bus / Diagrams / Diagram Information and Instructions
Page 4135
Page 2
Powertrain Management
Computers and Control Systems
Information Bus / Diagrams / Diagram Information and Instructions
Page 4135
Diagram Information and Instructions|Page 4136 >
< Diagram Information and Instructions