Magnum V6-2.7L (2008)
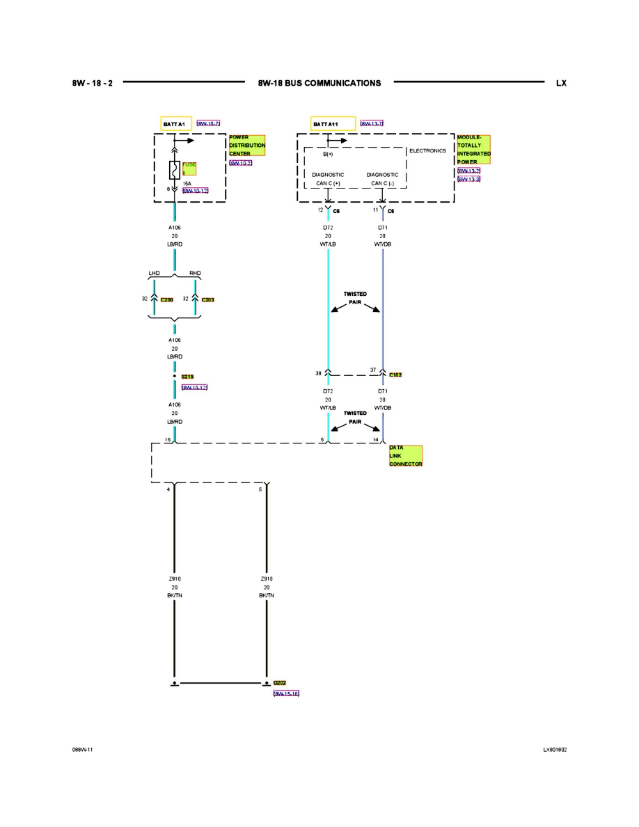
Information Bus: Electrical Diagrams
PLEASE NOTE: Some diagrams may appear to be missing because of gaps in the number sequences. These "gaps" are actually for diagrams that do
not apply to the vehicle model selected.
8w-18-02
