Dodge Workshop Service and Repair Manuals
HOME
FEATURES
MENU
INDEX
ABOUT US
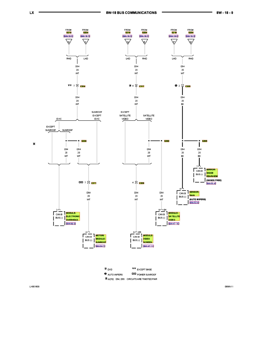
Diagram Information and Instructions|Page 4159 >
< Diagram Information and Instructions|Page 4157
Magnum V6-2.7L (2008)
Powertrain Management
Computers and Control Systems
Information Bus / Diagrams / Diagram Information and Instructions
Page 4158
Page 8
8w-18-09
Powertrain Management
Computers and Control Systems
Information Bus / Diagrams / Diagram Information and Instructions
Page 4158
Diagram Information and Instructions|Page 4159 >
< Diagram Information and Instructions|Page 4157