Dodge Workshop Service and Repair Manuals
HOME
FEATURES
MENU
INDEX
ABOUT US
Diagram Information and Instructions|Page 4162 >
< Diagram Information and Instructions|Page 4160
Magnum V6-2.7L (2008)
Powertrain Management
Computers and Control Systems
Information Bus / Diagrams / Diagram Information and Instructions
Page 4161
Page 11
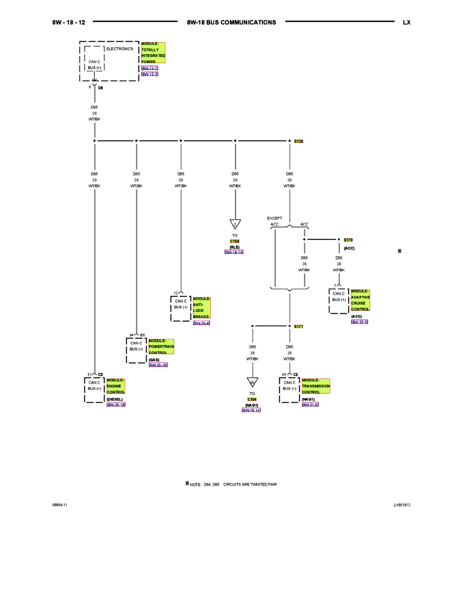
8w-18-12
Powertrain Management
Computers and Control Systems
Information Bus / Diagrams / Diagram Information and Instructions
Page 4161
Diagram Information and Instructions|Page 4162 >
< Diagram Information and Instructions|Page 4160