Dodge Workshop Service and Repair Manuals
HOME
FEATURES
MENU
INDEX
ABOUT US
Diagram Information and Instructions|Page 4164 >
< Diagram Information and Instructions|Page 4162
Magnum V6-2.7L (2008)
Powertrain Management
Computers and Control Systems
Information Bus / Diagrams / Diagram Information and Instructions
Page 4163
Page 13
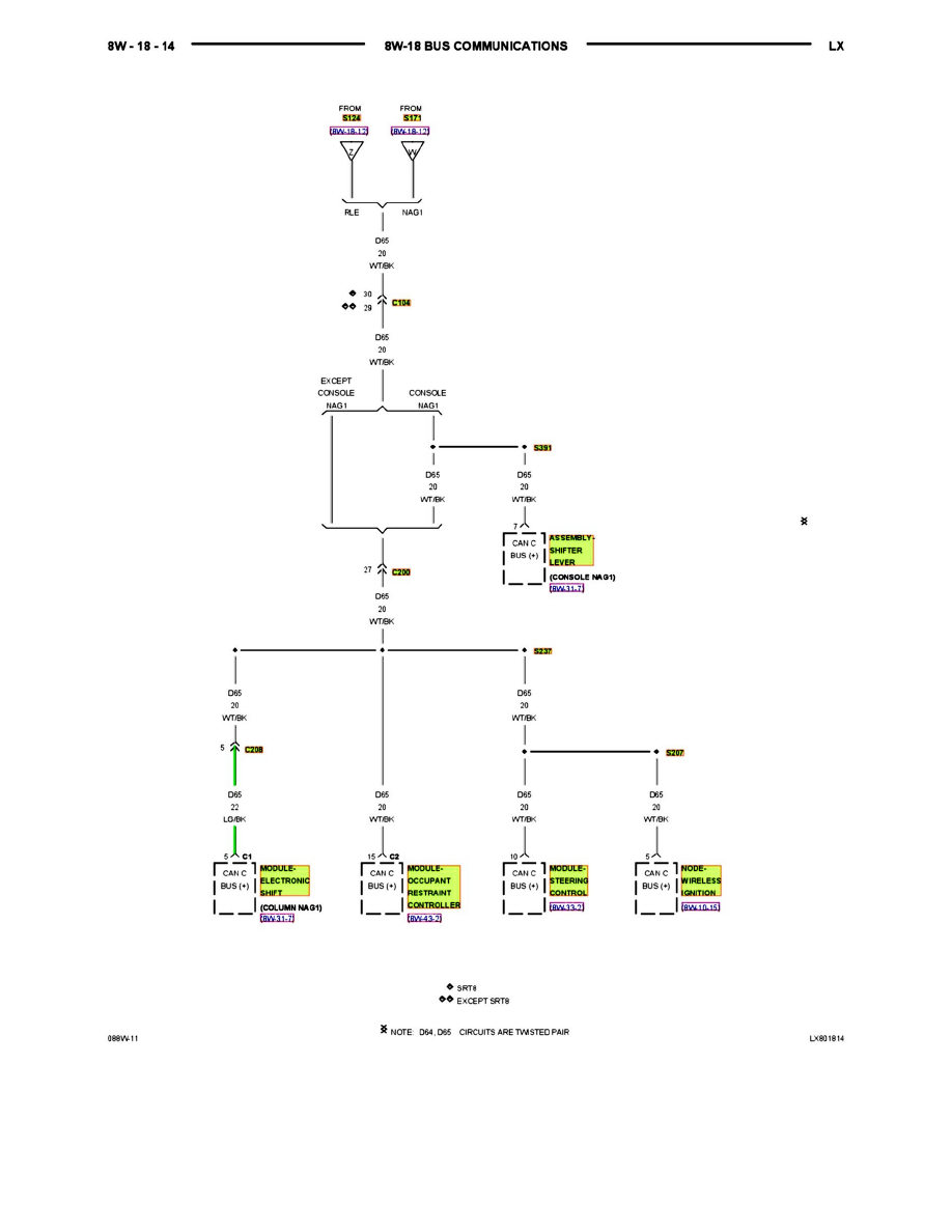
8w-18-14
Powertrain Management
Computers and Control Systems
Information Bus / Diagrams / Diagram Information and Instructions
Page 4163
Diagram Information and Instructions|Page 4164 >
< Diagram Information and Instructions|Page 4162