Dodge Workshop Service and Repair Manuals
HOME
FEATURES
MENU
INDEX
ABOUT US
Diagram Information and Instructions|Page 9604 >
< Diagram Information and Instructions|Page 9602
Magnum V8-5.7L (2008)
Accessories and Optional Equipment
Driver/Vehicle Information Display / Component Information
Diagrams / Diagram Information and Instructions
Page 9603
Page 3
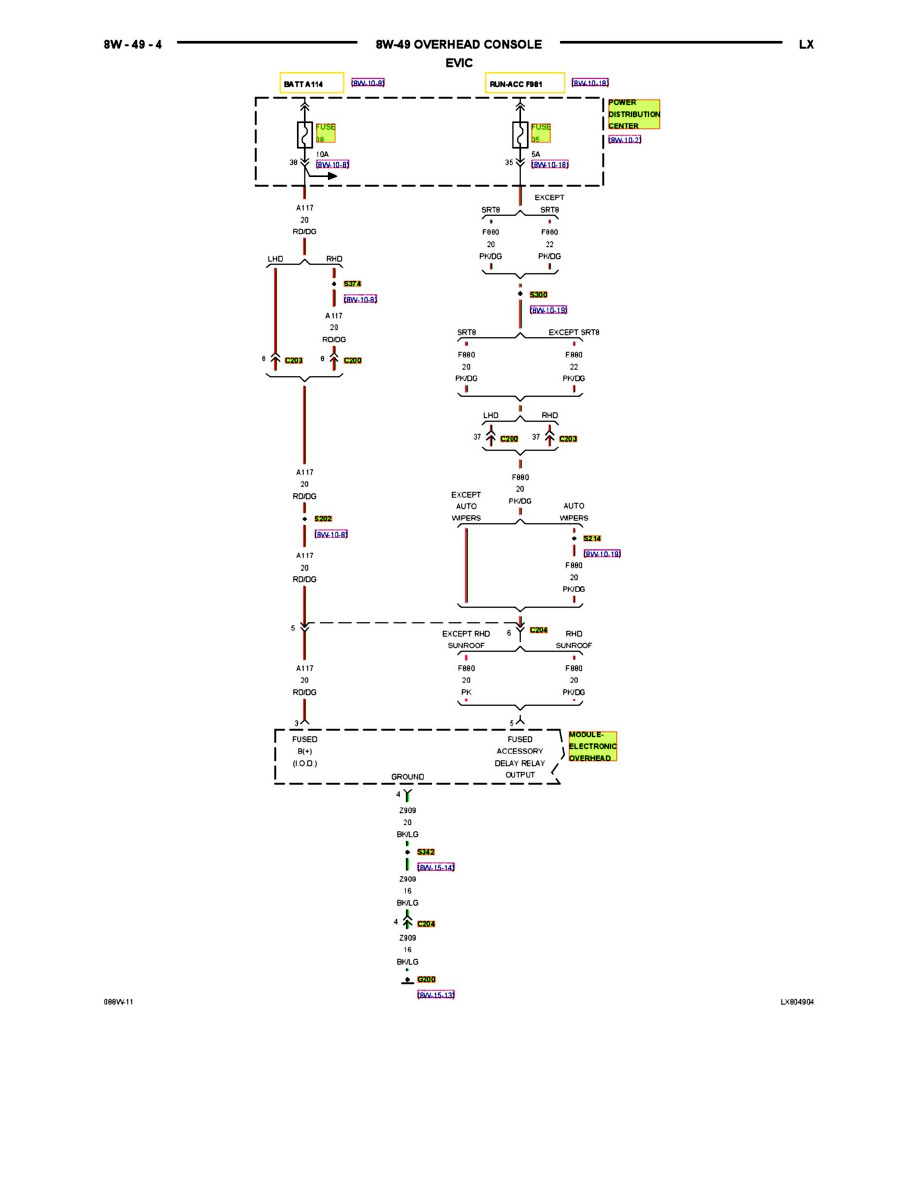
8w-49-04
Accessories and Optional Equipment
Driver/Vehicle Information Display / Component Information
Diagrams / Diagram Information and Instructions
Page 9603
Diagram Information and Instructions|Page 9604 >
< Diagram Information and Instructions|Page 9602