Magnum V8-5.7L VIN 2 (2007)
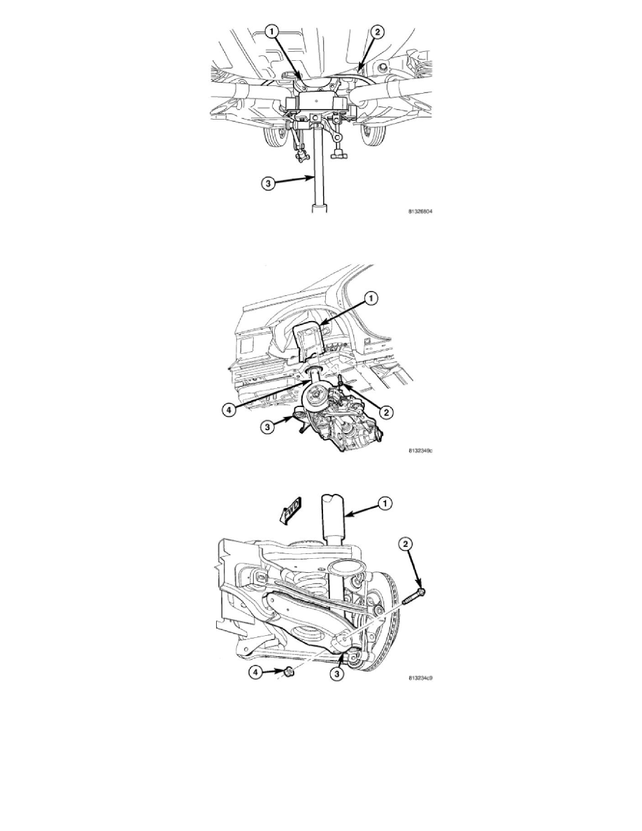
6. Position under-hoist utility jack or transmission jack (3) under center of rear axle differential (1). Raise jack head to contact differential and secure
in place. When securing crossmember to jack, be sure not to secure stabilizer bar.
7. Remove shock absorber (1) upper mounting screws (2).
8. Remove shock absorber (1) lower mounting bolt (2) and nut (4).
