Dodge Workshop Service and Repair Manuals
HOME
FEATURES
MENU
INDEX
ABOUT US
Diagram Information and Instructions|Page 1841 >
< Diagram Information and Instructions|Page 1839
Neon L4-122 2.0L DOHC VIN Y SFI (1997)
Engine, Cooling and Exhaust
Cooling System
Radiator Cooling Fan
Solid State Fan Relay <--> [Radiator Cooling Fan Motor Relay] / Component Information
Diagrams / Diagram Information and Instructions
Page 1840
Page 3
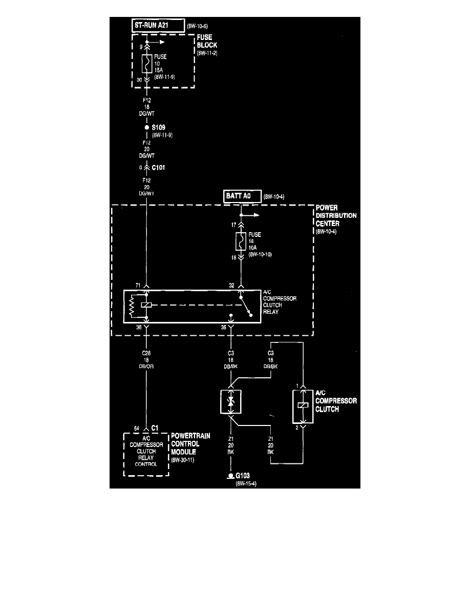
A/C And Heat Part 2 Of 4
Engine, Cooling and Exhaust
Cooling System
Radiator Cooling Fan
Solid State Fan Relay <--> [Radiator Cooling Fan Motor Relay] / Component Information
Diagrams / Diagram Information and Instructions
Page 1840
Diagram Information and Instructions|Page 1841 >
< Diagram Information and Instructions|Page 1839