Dodge Workshop Service and Repair Manuals
HOME
FEATURES
MENU
INDEX
ABOUT US
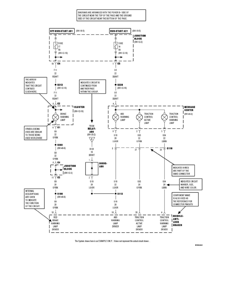
Diagram Information and Instructions|Page 10606 >
< Diagram Information and Instructions
Nitro 2WD V6-4.0L (2007)
Accessories and Optional Equipment
Towing / Trailer System
Trailer Connector / Component Information
Diagrams / Diagram Information and Instructions
Page 10605
Page 2
Accessories and Optional Equipment
Towing / Trailer System
Trailer Connector / Component Information
Diagrams / Diagram Information and Instructions
Page 10605
Diagram Information and Instructions|Page 10606 >
< Diagram Information and Instructions