Nitro 2WD V6-4.0L (2007)
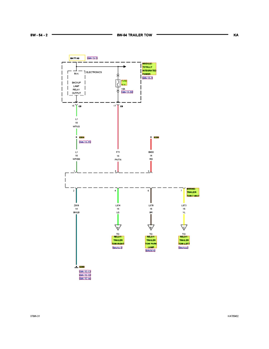
Trailer Connector: Electrical Diagrams
PLEASE NOTE: Some diagrams may appear to be missing because of gaps in the number sequences. These "gaps" are actually for diagrams that do
not apply to the vehicle model selected.
8w-54-02
