Dodge Workshop Service and Repair Manuals
HOME
FEATURES
MENU
INDEX
ABOUT US
Diagram Information and Instructions|Page 8592 >
< Diagram Information and Instructions|Page 8590
RAM 2500 Truck 4WD V10-8.0L VIN W (1997)
Instrument Panel, Gauges and Warning Indicators
Four-Wheel Drive (4WD) Indicator Lamp <--> [Four Wheel Drive Indicator Lamp] / Component Information
Diagrams / Diagram Information and Instructions
Page 8591
Page 2
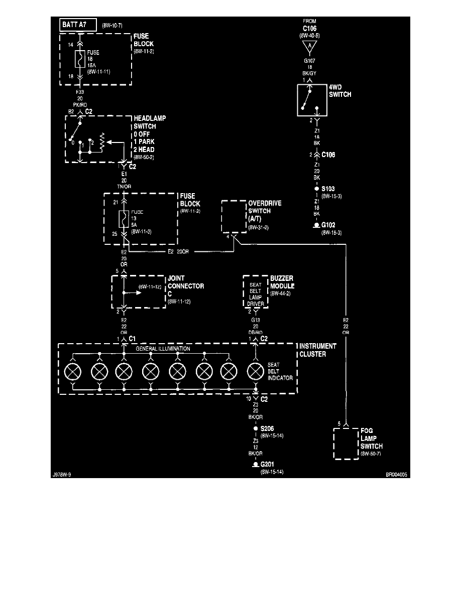
Instrument Cluster (Part 5 Of 7)
Instrument Panel, Gauges and Warning Indicators
Four-Wheel Drive (4WD) Indicator Lamp <--> [Four Wheel Drive Indicator Lamp] / Component Information
Diagrams / Diagram Information and Instructions
Page 8591
Diagram Information and Instructions|Page 8592 >
< Diagram Information and Instructions|Page 8590