Dodge Workshop Service and Repair Manuals
HOME
FEATURES
MENU
INDEX
ABOUT US
Diagram Information and Instructions|Page 7164 >
< Diagram Information and Instructions|Page 7162
RAM 2500 Truck 4WD V8-5.9L VIN Z LDC (1998)
Accessories and Optional Equipment
Trailer Connector / Diagrams / Diagram Information and Instructions
Page 7163
Page 1
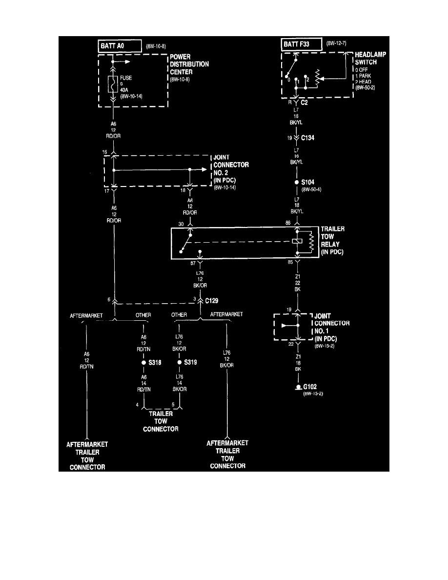
Trailer Connector: Electrical Diagrams
Trailer Tow (Part 1 Of 3)
Accessories and Optional Equipment
Trailer Connector / Diagrams / Diagram Information and Instructions
Page 7163
Diagram Information and Instructions|Page 7164 >
< Diagram Information and Instructions|Page 7162