Dodge Workshop Service and Repair Manuals
HOME
FEATURES
MENU
INDEX
ABOUT US
Diagram Information and Instructions|Page 7721 >
< Diagram Information and Instructions|Page 7719
RAM 2500 Truck 4WD V8-5.9L VIN Z LDC (1998)
Instrument Panel, Gauges and Warning Indicators
Audible Warning Device Control Module / Diagrams / Diagram Information and Instructions
Page 7720
Page 2
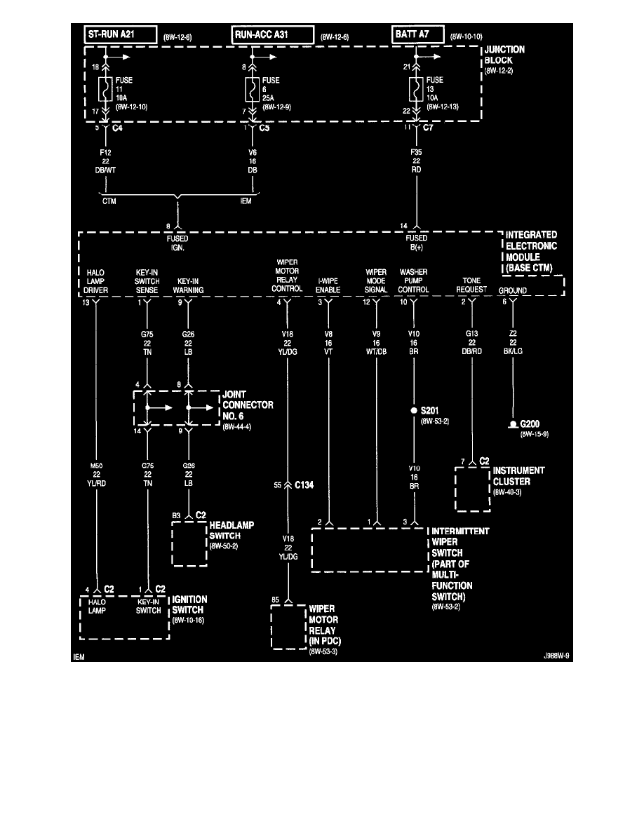
Central Timer Module (Part 2 Of 5)
Instrument Panel, Gauges and Warning Indicators
Audible Warning Device Control Module / Diagrams / Diagram Information and Instructions
Page 7720
Diagram Information and Instructions|Page 7721 >
< Diagram Information and Instructions|Page 7719