Dodge Workshop Service and Repair Manuals
HOME
FEATURES
MENU
INDEX
ABOUT US
Diagram Information and Instructions|Page 5878 >
< Diagram Information and Instructions|Page 5876
RAM 2500 Truck 4WD V8-5.9L VIN Z LDC (1998)
Power and Ground Distribution
Multiple Junction Connector / Diagrams / Diagram Information and Instructions
Page 5877
Page 15
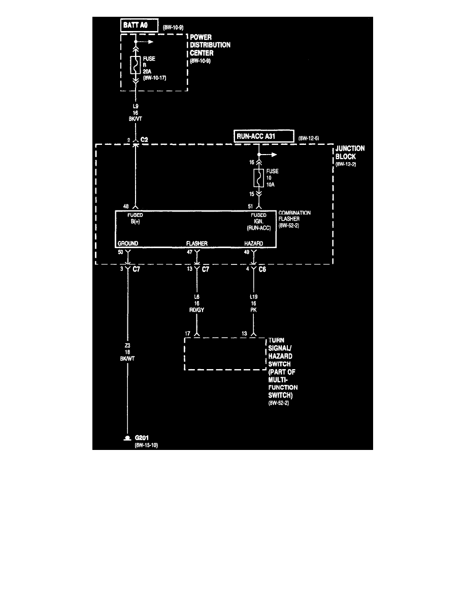
Junction Block (Part 11 Of 13)
Power and Ground Distribution
Multiple Junction Connector / Diagrams / Diagram Information and Instructions
Page 5877
Diagram Information and Instructions|Page 5878 >
< Diagram Information and Instructions|Page 5876