Dodge Workshop Service and Repair Manuals
HOME
FEATURES
MENU
INDEX
ABOUT US
Engine/Engine Controls - Manual Revisions|Page 3013 >
< Engine/Engine Controls - Manual Revisions
RAM 2500 Truck 4WD V8-5.9L VIN Z LDC (1998)
Powertrain Management
Computers and Control Systems
Oxygen Sensor / Technical Service Bulletins / Engine/Engine Controls - Manual Revisions
Page 3012
Page 2
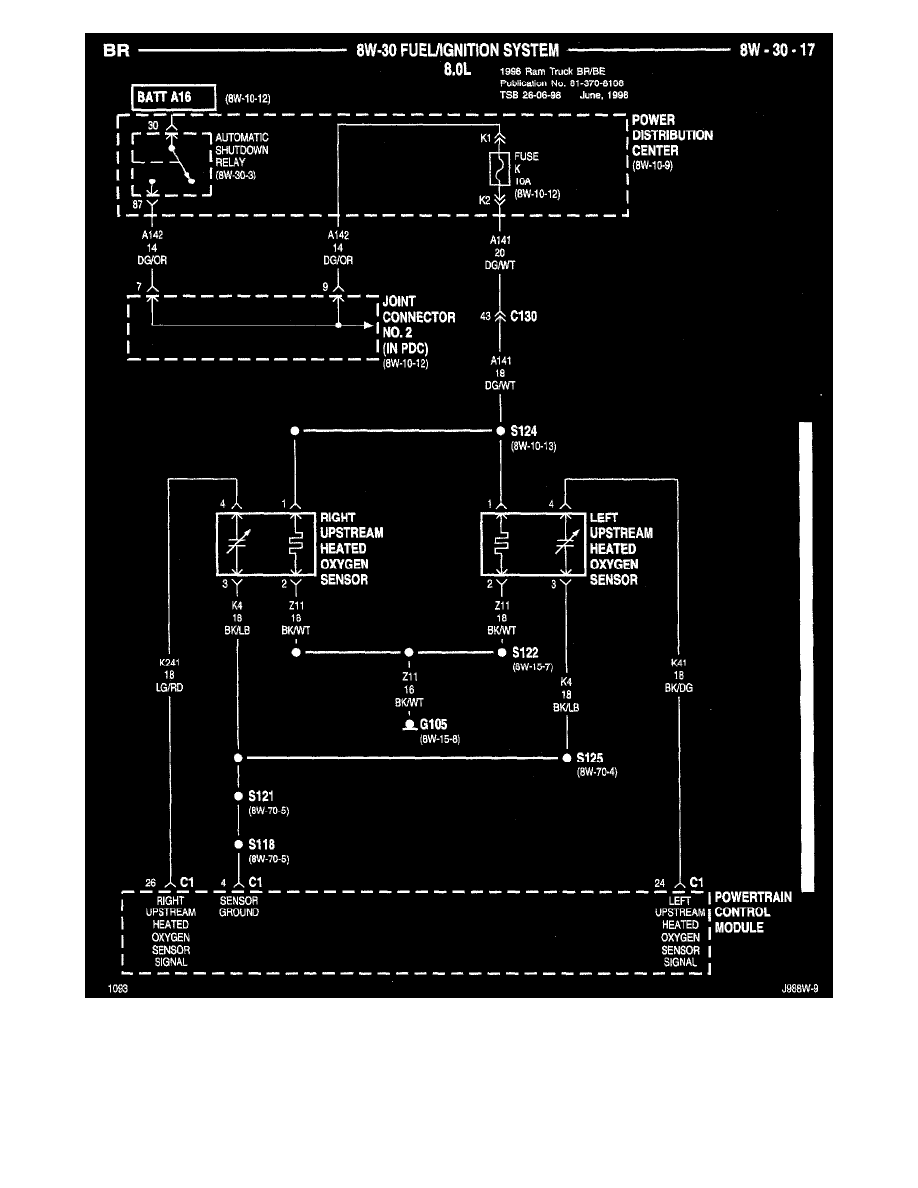
8W-30-17
Powertrain Management
Computers and Control Systems
Oxygen Sensor / Technical Service Bulletins / Engine/Engine Controls - Manual Revisions
Page 3012
Engine/Engine Controls - Manual Revisions|Page 3013 >
< Engine/Engine Controls - Manual Revisions