Dodge Workshop Service and Repair Manuals
HOME
FEATURES
MENU
INDEX
ABOUT US
Diagram Information and Instructions|Page 3062 >
< Diagram Information and Instructions|Page 3060
RAM 2500 Truck 4WD V8-5.9L VIN Z LDC (1998)
Powertrain Management
Computers and Control Systems
Relays and Modules - Computers and Control Systems / Central Timer Module <--> [Body Control Module] / Component Information
Diagrams / Diagram Information and Instructions
Page 3061
Page 3
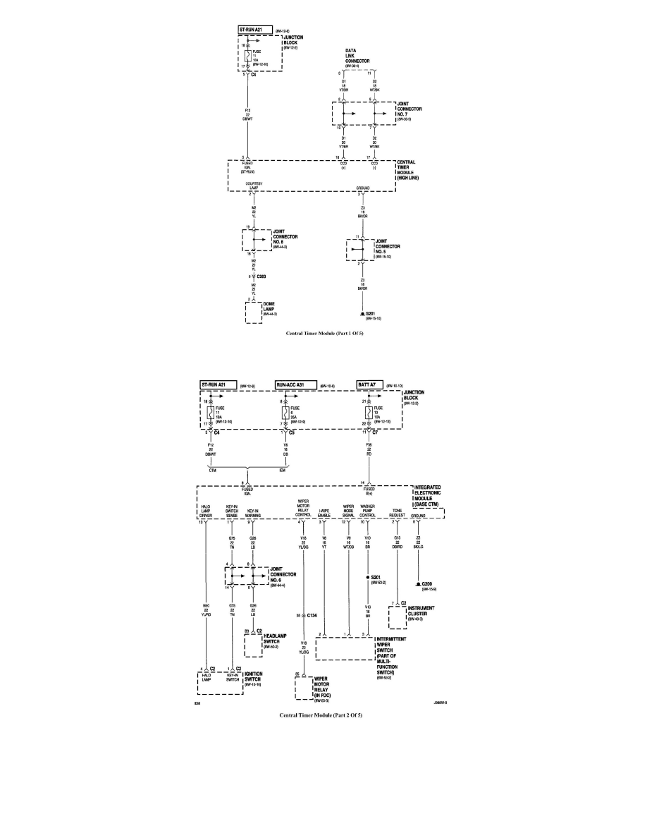
CTM (1 Of 5)
CTM (2 Of 5)
Powertrain Management
Computers and Control Systems
Relays and Modules - Computers and Control Systems / Central Timer Module <--> [Body Control Module] / Component Information
Diagrams / Diagram Information and Instructions
Page 3061
Diagram Information and Instructions|Page 3062 >
< Diagram Information and Instructions|Page 3060