Dodge Workshop Service and Repair Manuals
HOME
FEATURES
MENU
INDEX
ABOUT US
Diagram Information and Instructions|Page 2333 >
< Diagram Information and Instructions|Page 2331
RAM 2500 Truck 4WD V8-5.9L VIN Z LDC (1998)
Powertrain Management
Relays and Modules - Powertrain Management / Relays and Modules - Computers and Control Systems / Central Timer Module <--> [Body Control Module] / Component Information
Diagrams / Diagram Information and Instructions
Page 2332
Page 2
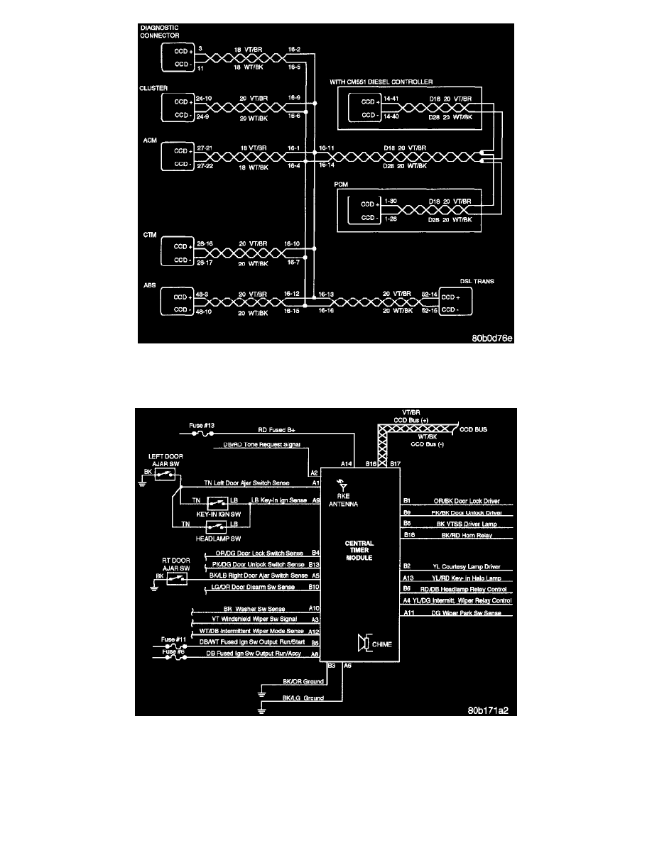
Central Timer Module System
Central Timer Module (CTM) System
Powertrain Management
Relays and Modules - Powertrain Management / Relays and Modules - Computers and Control Systems / Central Timer Module <--> [Body Control Module] / Component Information
Diagrams / Diagram Information and Instructions
Page 2332
Diagram Information and Instructions|Page 2333 >
< Diagram Information and Instructions|Page 2331