Dodge Workshop Service and Repair Manuals
HOME
FEATURES
MENU
INDEX
ABOUT US
Diagram Information and Instructions|Page 5763 >
< Diagram Information and Instructions|Page 5761
RAM 2500 Truck 4WD V8-5.9L VIN Z LDC (1998)
Starting and Charging
Power and Ground Distribution
Multiple Junction Connector / Diagrams / Diagram Information and Instructions
Page 5762
Page 13
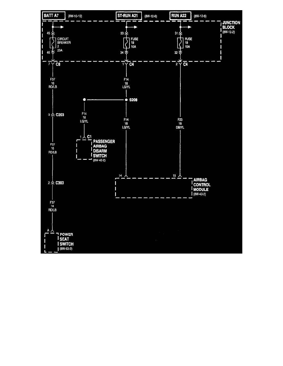
Junction Block (Part 9 Of 13)
Starting and Charging
Power and Ground Distribution
Multiple Junction Connector / Diagrams / Diagram Information and Instructions
Page 5762
Diagram Information and Instructions|Page 5763 >
< Diagram Information and Instructions|Page 5761