dodge Workshop Repair Guides

Dodge Workshop Service and Repair Manuals

Ignition Off Draw (IOD) Fuse <--> [Power Interrupt Connector/Switch] > < Diagram Information and Instructions|Page 5765
Page 17
background image

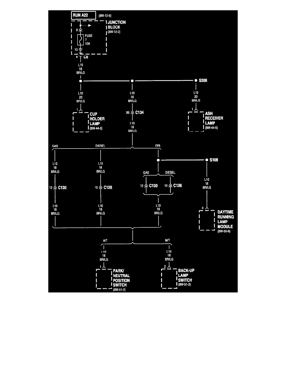
Junction Block (Part 13 Of 13)

 

NOTE:  To view sheets referred to in these diagrams, see Complete Body and Chassis Diagrams  See: Diagrams/Electrical Diagrams/Diagrams By
Group Number

Ignition Off Draw (IOD) Fuse <--> [Power Interrupt Connector/Switch] > < Diagram Information and Instructions|Page 5765