Dodge Workshop Service and Repair Manuals
HOME
FEATURES
MENU
INDEX
ABOUT US
Diagram Information and Instructions|Page 6893 >
< Diagram Information and Instructions|Page 6891
RAM 3500 Truck 2WD L6-5.9L DSL Turbo VIN 6 (1999)
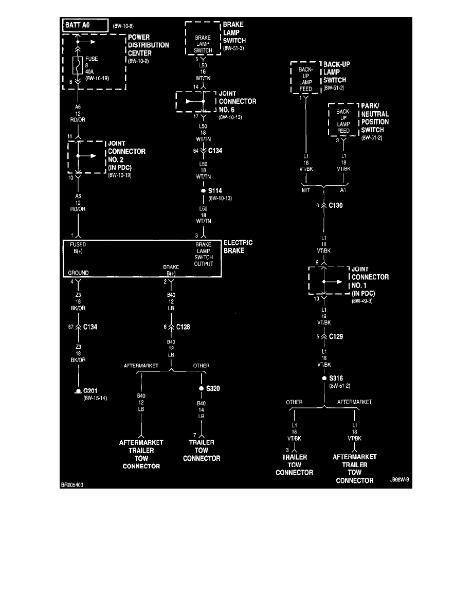
Accessories and Optional Equipment
Towing / Trailer System / Trailer Connector / Diagrams / Diagram Information and Instructions
Page 6892
Page 2
8w-54-3
Accessories and Optional Equipment
Towing / Trailer System / Trailer Connector / Diagrams / Diagram Information and Instructions
Page 6892
Diagram Information and Instructions|Page 6893 >
< Diagram Information and Instructions|Page 6891