Dodge Workshop Service and Repair Manuals
HOME
FEATURES
MENU
INDEX
ABOUT US
Diagram Information and Instructions|Page 8043 >
< Diagram Information and Instructions|Page 8041
RAM 3500 Truck 2WD V10-8.0L VIN W HDC (2000)
Instrument Panel, Gauges and Warning Indicators
Relays and Modules - Instrument Panel / Audible Warning Device Control Module / Component Information
Diagrams / Diagram Information and Instructions
Page 8042
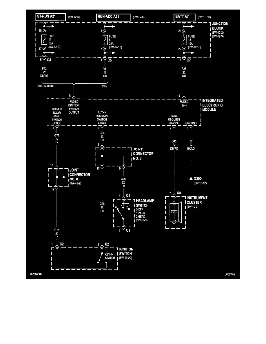
Page 7
8W-45-7 (IEM)
Instrument Panel, Gauges and Warning Indicators
Relays and Modules - Instrument Panel / Audible Warning Device Control Module / Component Information
Diagrams / Diagram Information and Instructions
Page 8042
Diagram Information and Instructions|Page 8043 >
< Diagram Information and Instructions|Page 8041