dodge Workshop Repair Guides

Dodge Workshop Service and Repair Manuals

Diagram Information and Instructions|Page 8045 > < Diagram Information and Instructions|Page 8043
Page 9
background image

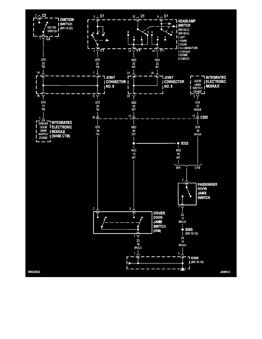
8W-45-9 (IEM)

NOTE:  To view sheets referred to in these diagrams, see Complete Body and Chassis Diagrams.
See: Diagrams/Electrical Diagrams

Diagram Information and Instructions|Page 8045 > < Diagram Information and Instructions|Page 8043