RAM 3500 Truck 2WD V10-8.0L VIN W HDC (2000)
DIAGNOSIS:
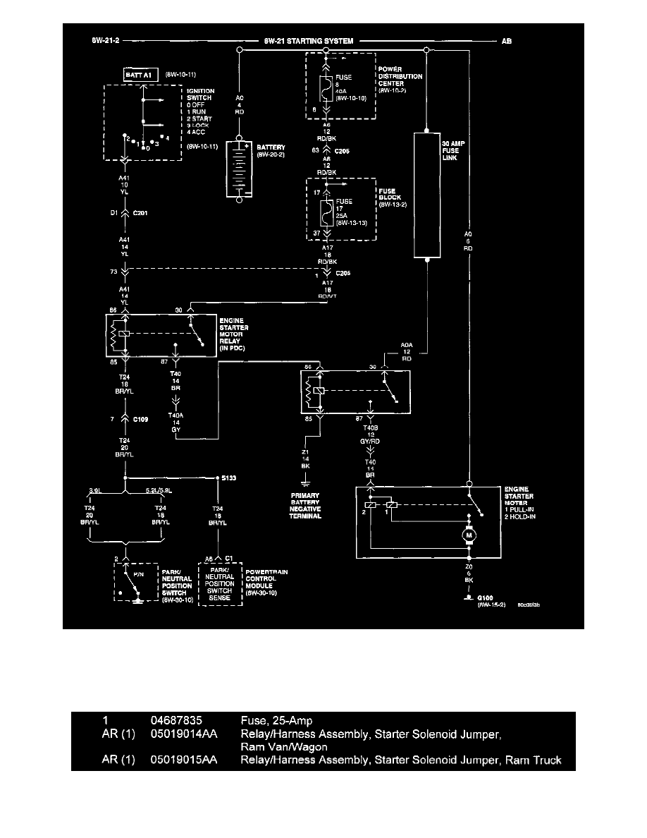
Inspect for a blown starter relay circuit fuse. The starter relay circuit fuse is located in the fuse block on Ram Van/Wagons and is fuse number 17. On
Ram Trucks, the starter relay fuse is located in the Power Distribution Center (PDC) and is fuse "D." If the fuse is blown, inspect the starter relay circuit
for any electrical shorts to ground. Refer to the appropriate Service Manual, Group 8W-21 "Starting System Wiring Diagrams" for circuit identification,
components, and their locations. If there are no apparent electrical shorts to ground in the starter relay circuit, perform the Repair Procedure.
PARTS REQUIRED:
