Dodge Workshop Service and Repair Manuals
HOME
FEATURES
MENU
INDEX
ABOUT US
Starter Relay Fuse - No Start/Engine Will Not Crank|Page 1339 >
< Starter Relay Fuse - No Start/Engine Will Not Crank
RAM 3500 Truck 2WD V10-8.0L VIN W HDC (2000)
Maintenance
Fuses and Circuit Breakers
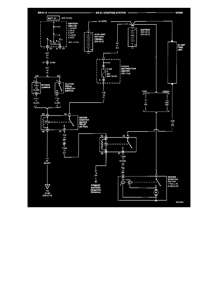
Fuse / Technical Service Bulletins / Customer Interest: / 08-01-00A / Jun / 00 / Starter Relay Fuse - No Start/Engine Will Not Crank
Page 1338
Page 2
Maintenance
Fuses and Circuit Breakers
Fuse / Technical Service Bulletins / Customer Interest: / 08-01-00A / Jun / 00 / Starter Relay Fuse - No Start/Engine Will Not Crank
Page 1338
Starter Relay Fuse - No Start/Engine Will Not Crank|Page 1339 >
< Starter Relay Fuse - No Start/Engine Will Not Crank