Dodge Workshop Service and Repair Manuals
HOME
FEATURES
MENU
INDEX
ABOUT US
Diagram Information and Instructions|Page 5779 >
< Diagram Information and Instructions|Page 5777
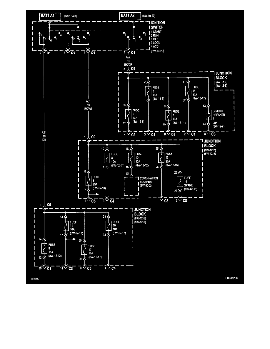
RAM 3500 Truck 2WD V10-8.0L VIN W HDC (2000)
Power and Ground Distribution
Fuse Block / Component Information
Diagrams / Diagram Information and Instructions
Page 5778
Page 3
8W-12-6
Power and Ground Distribution
Fuse Block / Component Information
Diagrams / Diagram Information and Instructions
Page 5778
Diagram Information and Instructions|Page 5779 >
< Diagram Information and Instructions|Page 5777