Dodge Workshop Service and Repair Manuals
HOME
FEATURES
MENU
INDEX
ABOUT US
Diagram Information and Instructions|Page 5782 >
< Diagram Information and Instructions|Page 5780
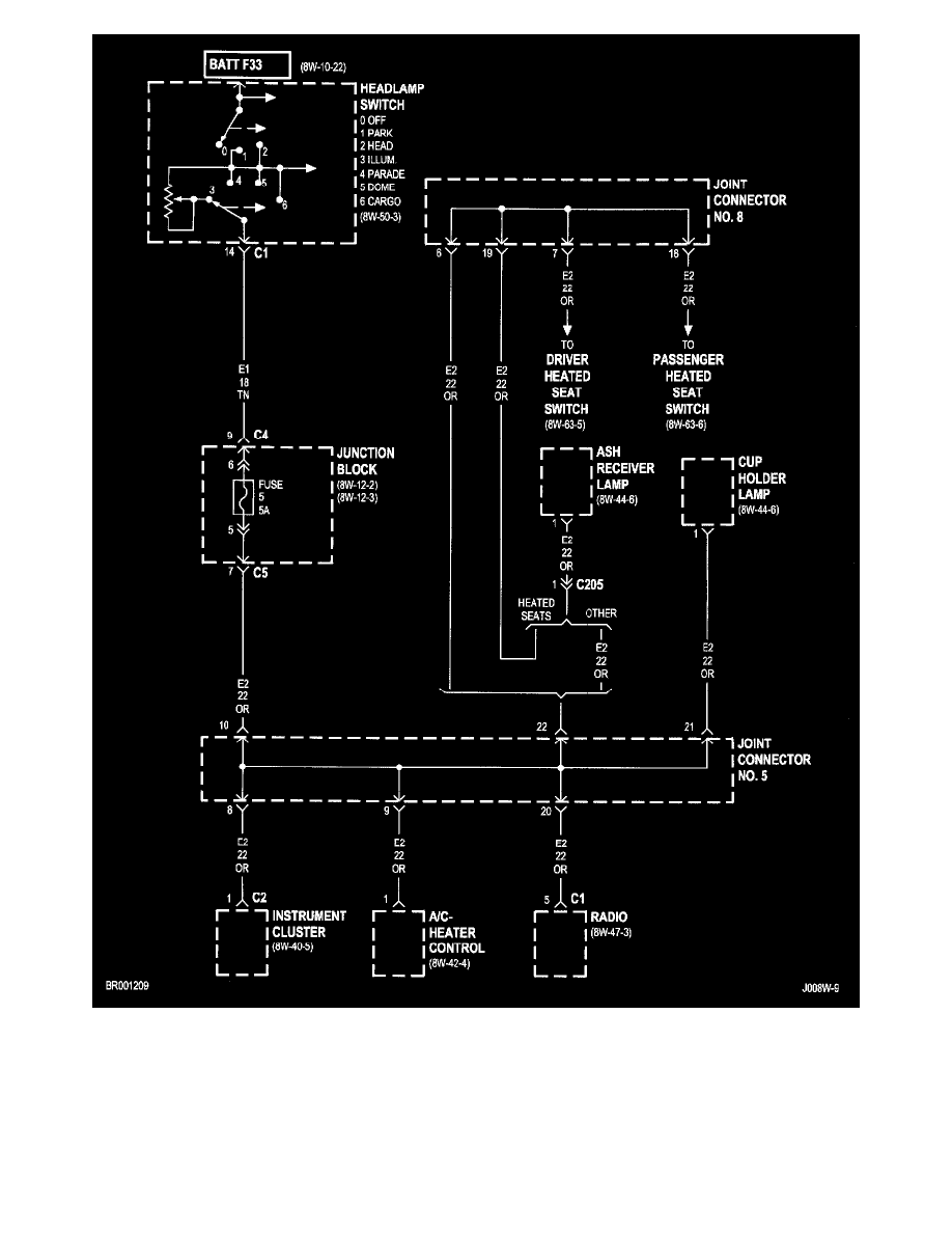
RAM 3500 Truck 2WD V10-8.0L VIN W HDC (2000)
Power and Ground Distribution
Fuse Block / Component Information
Diagrams / Diagram Information and Instructions
Page 5781
Page 6
8W-12-9
Power and Ground Distribution
Fuse Block / Component Information
Diagrams / Diagram Information and Instructions
Page 5781
Diagram Information and Instructions|Page 5782 >
< Diagram Information and Instructions|Page 5780