Dodge Workshop Service and Repair Manuals
HOME
FEATURES
MENU
INDEX
ABOUT US
Diagram Information and Instructions|Page 5784 >
< Diagram Information and Instructions|Page 5782
RAM 3500 Truck 2WD V10-8.0L VIN W HDC (2000)
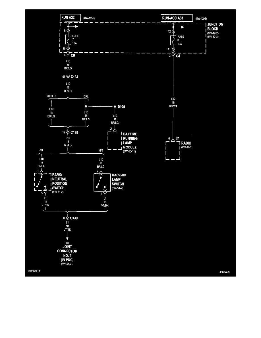
Power and Ground Distribution
Fuse Block / Component Information
Diagrams / Diagram Information and Instructions
Page 5783
Page 8
8W-12-11
Power and Ground Distribution
Fuse Block / Component Information
Diagrams / Diagram Information and Instructions
Page 5783
Diagram Information and Instructions|Page 5784 >
< Diagram Information and Instructions|Page 5782