Dodge Workshop Service and Repair Manuals
HOME
FEATURES
MENU
INDEX
ABOUT US
Diagram Information and Instructions|Page 5790 >
< Diagram Information and Instructions|Page 5788
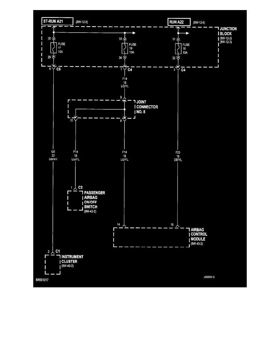
RAM 3500 Truck 2WD V10-8.0L VIN W HDC (2000)
Power and Ground Distribution
Fuse Block / Component Information
Diagrams / Diagram Information and Instructions
Page 5789
Page 14
8W-12-17
Power and Ground Distribution
Fuse Block / Component Information
Diagrams / Diagram Information and Instructions
Page 5789
Diagram Information and Instructions|Page 5790 >
< Diagram Information and Instructions|Page 5788