Dodge Workshop Service and Repair Manuals
HOME
FEATURES
MENU
INDEX
ABOUT US
Brakes/Electrical - Service Manual Revisions|Page 6215 >
< Brakes/Electrical - Service Manual Revisions|Page 6213
RAM 3500 Truck 2WD V10-8.0L VIN W HDC (2000)
Steering and Suspension
Wheels and Tires
Wheel Hub (Locking) / Technical Service Bulletins / Brakes/Electrical - Service Manual Revisions
Page 6214
Page 11
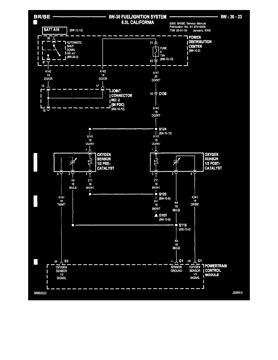
8W-30-23
Steering and Suspension
Wheels and Tires
Wheel Hub (Locking) / Technical Service Bulletins / Brakes/Electrical - Service Manual Revisions
Page 6214
Brakes/Electrical - Service Manual Revisions|Page 6215 >
< Brakes/Electrical - Service Manual Revisions|Page 6213