Dodge Workshop Service and Repair Manuals
HOME
FEATURES
MENU
INDEX
ABOUT US
Brakes/Electrical - Service Manual Revisions|Page 6220 >
< Brakes/Electrical - Service Manual Revisions|Page 6218
RAM 3500 Truck 2WD V10-8.0L VIN W HDC (2000)
Steering and Suspension
Wheels and Tires
Wheel Hub (Locking) / Technical Service Bulletins / Brakes/Electrical - Service Manual Revisions
Page 6219
Page 16
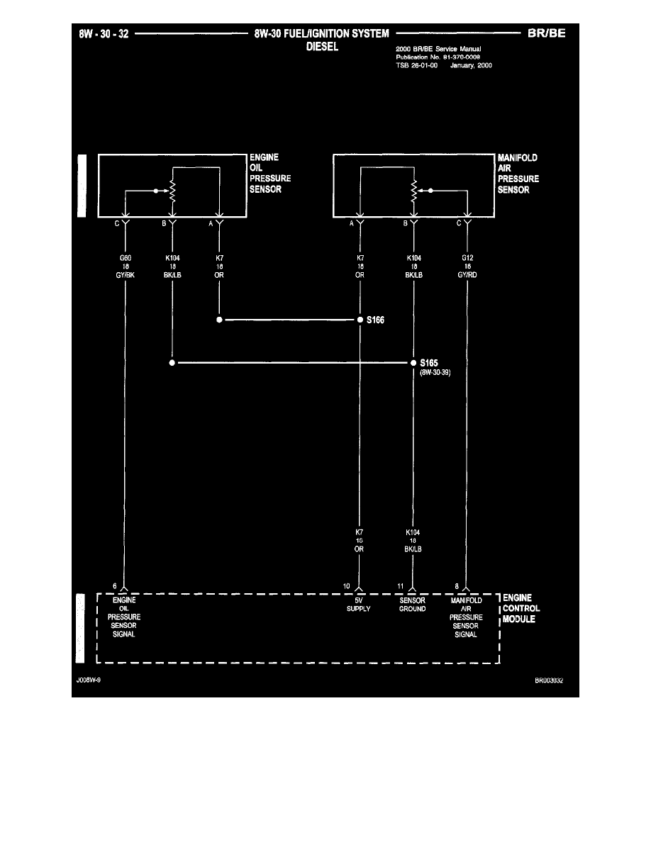
8W-30-32
Steering and Suspension
Wheels and Tires
Wheel Hub (Locking) / Technical Service Bulletins / Brakes/Electrical - Service Manual Revisions
Page 6219
Brakes/Electrical - Service Manual Revisions|Page 6220 >
< Brakes/Electrical - Service Manual Revisions|Page 6218