Dodge Workshop Service and Repair Manuals
HOME
FEATURES
MENU
INDEX
ABOUT US
Brakes/Electrical - Service Manual Revisions|Page 4657 >
< Brakes/Electrical - Service Manual Revisions|Page 4655
RAM 3500 Truck 2WD V10-8.0L VIN W HDC (2000)
Transmission and Drivetrain
Drive Axles, Bearings and Joints
Wheel Hub (Locking) / Technical Service Bulletins / Brakes/Electrical - Service Manual Revisions
Page 4656
Page 9
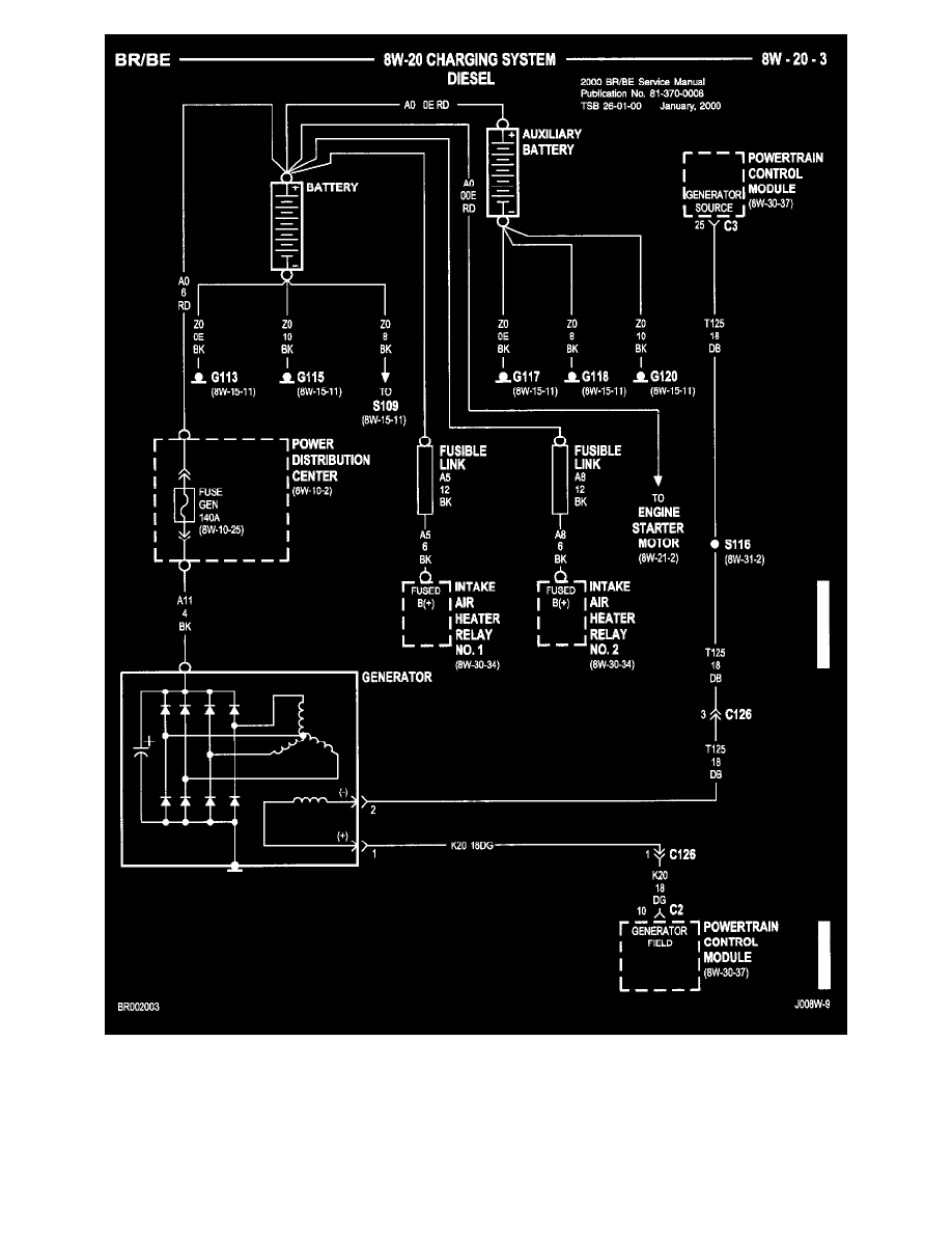
8W-20-3
Transmission and Drivetrain
Drive Axles, Bearings and Joints
Wheel Hub (Locking) / Technical Service Bulletins / Brakes/Electrical - Service Manual Revisions
Page 4656
Brakes/Electrical - Service Manual Revisions|Page 4657 >
< Brakes/Electrical - Service Manual Revisions|Page 4655