Dodge Workshop Service and Repair Manuals
HOME
FEATURES
MENU
INDEX
ABOUT US
Diagram Information and Instructions|Page 1650 >
< Diagram Information and Instructions|Page 1648
RAM 3500 Truck 2WD V8-5.9L VIN Z LDC (1999)
Maintenance
Fuses and Circuit Breakers
Fuse Block / Component Information
Diagrams / Diagram Information and Instructions
Page 1649
Page 1
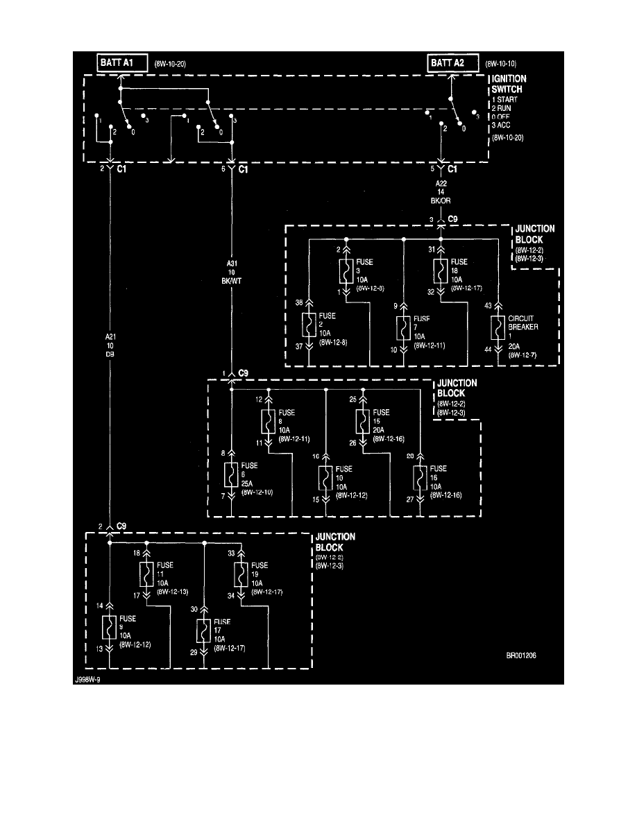
Fuse Block: Electrical Diagrams
Junction Block 8w-12-6
Maintenance
Fuses and Circuit Breakers
Fuse Block / Component Information
Diagrams / Diagram Information and Instructions
Page 1649
Diagram Information and Instructions|Page 1650 >
< Diagram Information and Instructions|Page 1648