Dodge Workshop Service and Repair Manuals
HOME
FEATURES
MENU
INDEX
ABOUT US
Diagram Information and Instructions|Page 2494 >
< Diagram Information and Instructions|Page 2492
Stratus L4-2.0L VIN C (1997)
Powertrain Management
Computers and Control Systems
Body Control Module / Component Information
Diagrams / Diagram Information and Instructions
Page 2493
Page 7
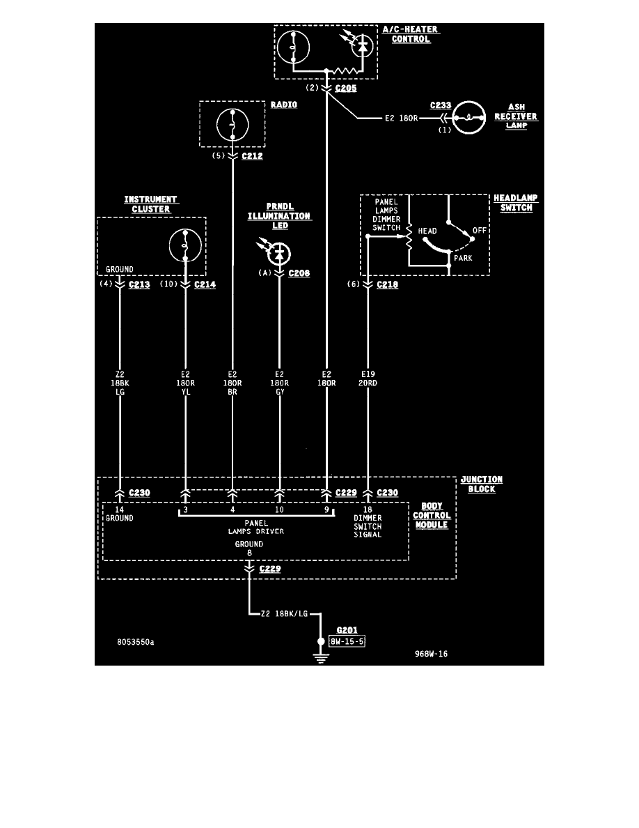
Body Control Module (Part 6 Of 10)
Powertrain Management
Computers and Control Systems
Body Control Module / Component Information
Diagrams / Diagram Information and Instructions
Page 2493
Diagram Information and Instructions|Page 2494 >
< Diagram Information and Instructions|Page 2492