Dodge Workshop Service and Repair Manuals
HOME
FEATURES
MENU
INDEX
ABOUT US
Diagram Information and Instructions|Page 6643 >
< Diagram Information and Instructions|Page 6641
Stratus V6-2.5L VIN H (1997)
Body and Frame
Body Control Systems / Body Control Module / Component Information
Diagrams / Diagram Information and Instructions
Page 6642
Page 7
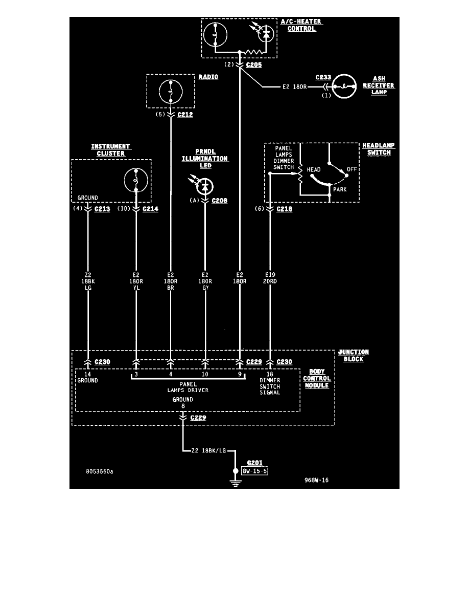
Body Control Module (Part 6 Of 10)
Body and Frame
Body Control Systems / Body Control Module / Component Information
Diagrams / Diagram Information and Instructions
Page 6642
Diagram Information and Instructions|Page 6643 >
< Diagram Information and Instructions|Page 6641