Dodge Workshop Service and Repair Manuals
HOME
FEATURES
MENU
INDEX
ABOUT US
Diagram Information and Instructions|Page 4023 >
< Diagram Information and Instructions|Page 4021
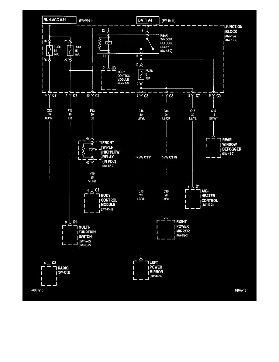
Stratus Sedan V6-2.7L (2001)
Starting and Charging
Power and Ground Distribution
Fuse Block / Component Information
Diagrams / Diagram Information and Instructions
Page 4022
Page 9
8w-12-13
Starting and Charging
Power and Ground Distribution
Fuse Block / Component Information
Diagrams / Diagram Information and Instructions
Page 4022
Diagram Information and Instructions|Page 4023 >
< Diagram Information and Instructions|Page 4021