dodge Workshop Repair Guides

Dodge Workshop Service and Repair Manuals

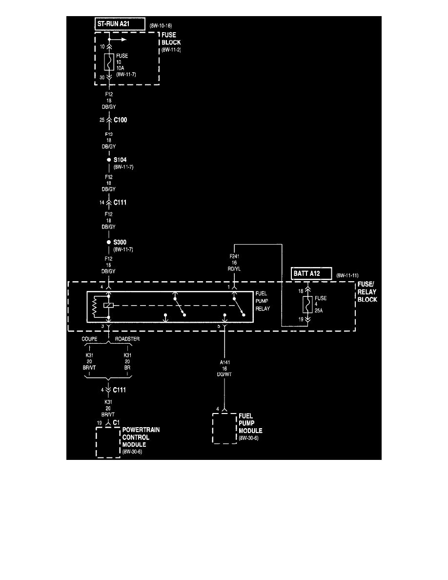
Service Reminder Indicators > < Diagram Information and Instructions|Page 821
Page 9
background image

8w-11-12

NOTE:  To view sheets referred to in these diagrams, see Complete Body and Chassis Diagrams  See: Diagrams/Electrical Diagrams/Diagrams By
Group Number. 

Service Reminder Indicators > < Diagram Information and Instructions|Page 821