ford Workshop Repair Guides

Ford Workshop Service and Repair Manuals

Diagram Information and Instructions|Page 1259 > < Diagram Information and Instructions|Page 1257
Page 7
background image

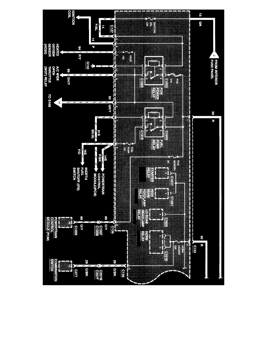
Power Distribution

Fuse ENGINE COOLING FAN

Fuse ENGINE COOLING FAN - protects the following circuits:

^

Engine Cooling Fans

Diagram Information and Instructions|Page 1259 > < Diagram Information and Instructions|Page 1257