ford Workshop Repair Guides

Ford Workshop Service and Repair Manuals

Diagram Information and Instructions|Page 1303 > < Diagram Information and Instructions|Page 1301
Page 51
background image

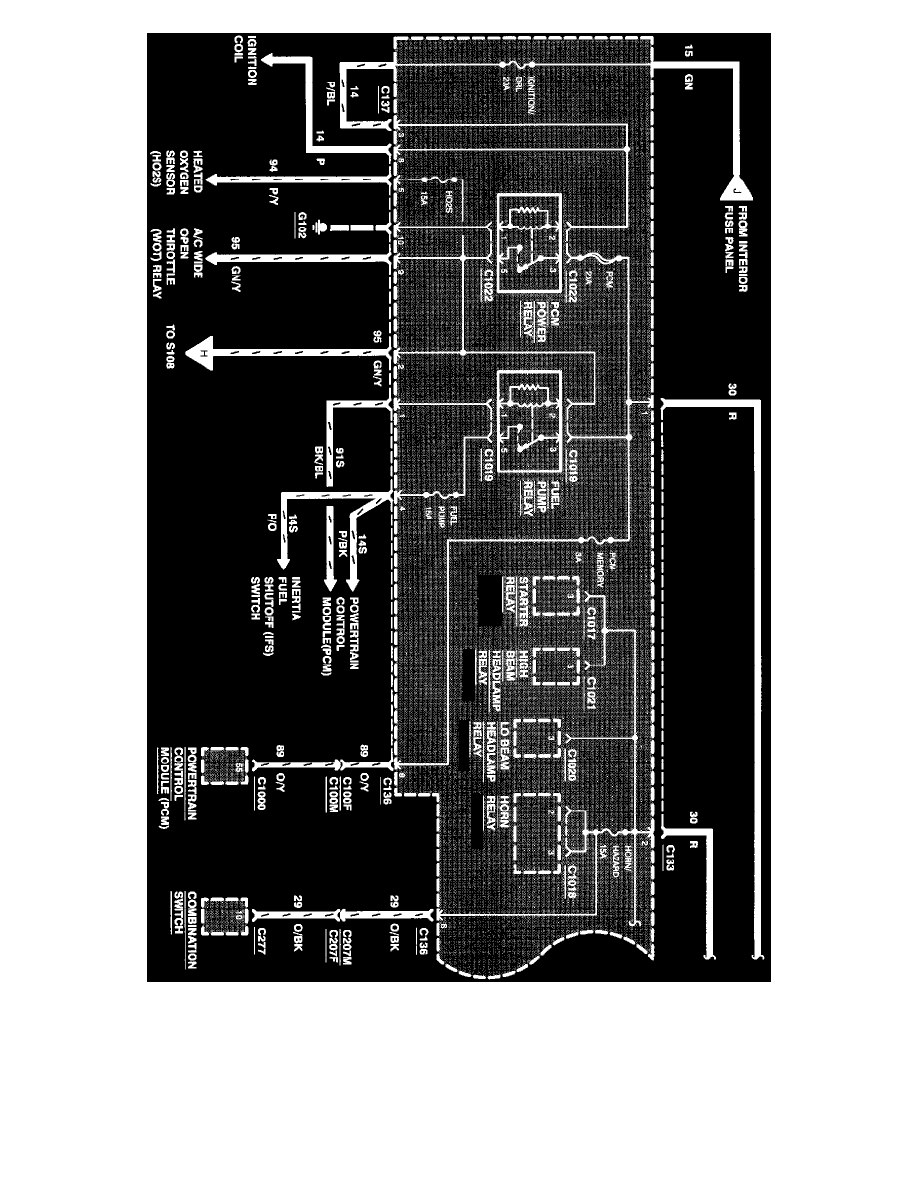
Power Distribution

Fuse AIR BAG

Fuse AIR BAG - protects the following circuits:

^

Air Bag Diagnostic Monitor

Diagram Information and Instructions|Page 1303 > < Diagram Information and Instructions|Page 1301