Ford Workshop Service and Repair Manuals
HOME
FEATURES
MENU
INDEX
ABOUT US
Diagram Information and Instructions|Page 1355 >
< Diagram Information and Instructions|Page 1353
Contour V6-153 2.5L DOHC (1996)
Maintenance
Fuses and Circuit Breakers
Fuse / Component Information
Diagrams / Diagram Information and Instructions
Page 1354
Page 103
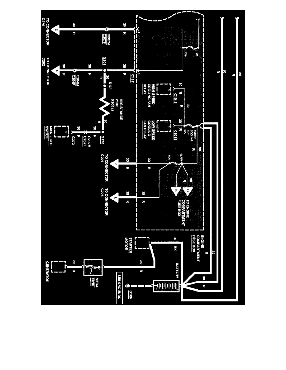
Power Distribution
Maintenance
Fuses and Circuit Breakers
Fuse / Component Information
Diagrams / Diagram Information and Instructions
Page 1354
Diagram Information and Instructions|Page 1355 >
< Diagram Information and Instructions|Page 1353