Ford Workshop Service and Repair Manuals
HOME
FEATURES
MENU
INDEX
ABOUT US
Diagram Information and Instructions|Page 1364 >
< Diagram Information and Instructions|Page 1362
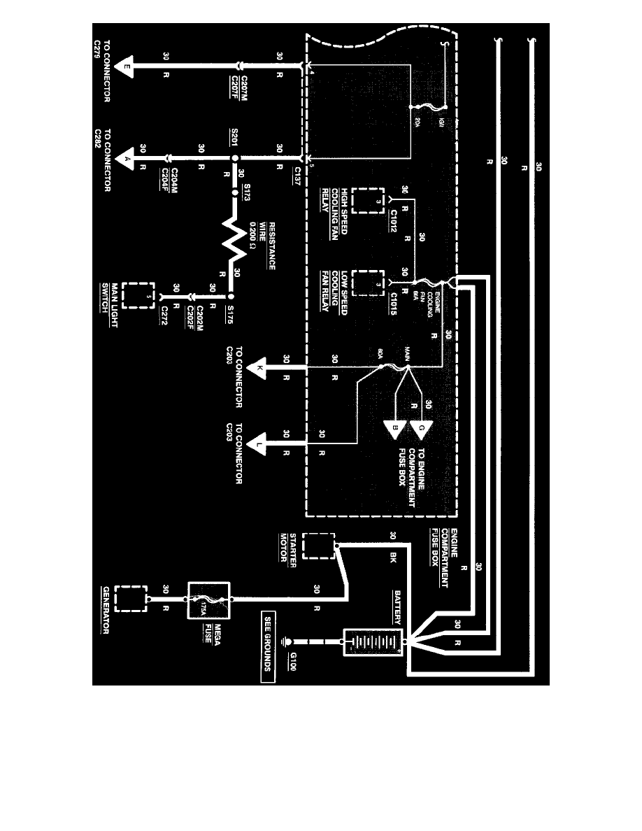
Contour V6-153 2.5L DOHC (1996)
Maintenance
Fuses and Circuit Breakers
Fuse / Component Information
Diagrams / Diagram Information and Instructions
Page 1363
Page 112
Power Distribution
Maintenance
Fuses and Circuit Breakers
Fuse / Component Information
Diagrams / Diagram Information and Instructions
Page 1363
Diagram Information and Instructions|Page 1364 >
< Diagram Information and Instructions|Page 1362